Если у вас не прогружаются какие-то фотографии / картинки / чертежи, тогда рекомендуем использовать VPN сервисы!

10.09.2020

Синтез комбинированной системы автоматического регулирования напряжения двигателя постоянного тока

РАСЧЕТНО-ГРАФИЧЕСКАЯ  РАБОТА по дисциплине:

МЕТОДЫ ПРОЕКТИРОВАНИЯ СИСТЕМ УПРАВЛЕНИЯ СУДОВЫМИ ТЕХНИЧЕСКИМИ СРЕДСТВАМИ

ТЕМА: Синтез комбинированной системы автоматического регулирования напряжения двигателя постоянного тока

Комбинированная САР частоты вращения ДПТ. В комбинированной САР частота вращения двигателя постоянного тока регулируется изменением напряжения тиристорного преобразователя при постоянном токе якоря. Возмущающим воздействием является момент сопротивления. В канале по возмущению использовать датчик момента на валу торсиометр.

Аннотация

Расчетно – графическая работа (РГР) посвящена синтезу непрерывных высококачественных систем автоматического регулирования судовыми техническими средствами на базе теорий инвариантности и оптимальности.

Целью расчетно – графической работы является закрепление теоретических знаний по применению методов теории автоматического управления для синтеза непрерывных систем автоматического регулирования (регуляторов).

В расчетно – графической работе сделан выбор схемы  операционного усилителя, составлены функциональная и структурная схемы системы автоматического регулирования, а также приведены дифференциальные уравнения и передаточные функции элементов САР. Произведён расчет основных параметров  элементов САР, определены условия инвариантности и оптимальности САР, а также построена принципиальная схема системы автоматического регулирования с учетом условий инвариантности и оптимальности.

Содержание

Введение

1. Выбор схемы  операционного усилителя

2. Составление функциональной схемы САР

3. Составление структурной схемы САР

4. Условие инвариантности САР

5. Условие оптимальности САР

6. Принципиальная схема САР с учетом условий инвариантности и оптимальности

Заключение

Список использованной литературы

Задание

Комбинированная САР частоты вращения ДПТ. В комбинированной САР частота вращения двигателя постоянного тока регулируется изменением напряжения тиристорного преобразователя при постоянном токе якоря. Возмущающим воздействием является момент сопротивления. В канале по возмущению использовать датчик момента на валу торсиометр.

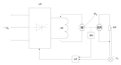
Комбинированная САР частоты вращения ДПТ

Рис. 1. Комбинированная САР частоты вращения ДПТ

Iя, Iв -   ток якоря и  ток возбуждения двигателя; Rя , Rв – сопротивление обмоток якоря и возбуждения; ωя  ,  ωя – число витков обмотки якоря и возбуждения; J – момент инерции двигателя;  Ктг, Кп ,Ктп – коэффициенты передачи тахогенератора BR, потенциометра RP, тиристорного преобразователя UZ; Tтп – постоянная времени тиристорного преобразователя; Тф – постоянная времени фильтра;  δ – требуемая точность регулирования.

Выбор схемы операционного усилителя

Принципиальная схема неинвертирующего операционного усилителя

Рис. 2. Принципиальная схема неинвертирующего операционного усилителя

Составление функциональной схемы САР

Функциональная схема САР

Рис. 3. Функциональная схема САР

ДН – датчик нагрузки;

ОР – объект регулирования;

ЧЭ – чувствительный элемент;

УЭ – усилительный элемент;

ИЭ – исполнительный элемент.

Составление структурной схемы САР

Структурная схема САР

Рис. 4. Структурная схема САР

Условие инвариантности САР

Основные применяемые уравнения динамики отдельных элементов системы управления (СУ) для получения условий инвариантности.

Для получения условий инвариантности математическую модель СУ представим в виде упорядоченной системы стандартной формы из трех уравнений (первое уравнение – объект регулирования, второе – чувствительно-усилительный элемент, третье – исполнительный элемент).

Функциональная схема инвариантной САР

Рис. 5. Функциональная схема инвариантной САР

Условие оптимальности САР

Для получения условий оптимальности рассмотрим заданную САР:

Структурная схема САР

Рис. 6. Структурная схема САР

где ОВ – обмотка возбуждения; УЭТ – усилительный элемент торсиометра; УЭН – усилительный элемент по напряжению; ОРВ – объект регулирования по возмущению; ОРУ – объект регулирования по управлению.

Принципиальная схема САР с учетом условий инвариантности и оптимальности

Принципиальная схема САР с учетом условий инвариантности и оптимальности

Рис.7. Принципиальная схема САР с учетом условий инвариантности и оптимальности

Заключение

В расчетно – графической работе произведен синтез математической модели комбинированной системы автоматического регулирования напряжения двигателя постоянного тока.

Для улучшения качества и повышения динамической и статической точности системы, находящейся под влиянием возмущающего воздействия (момента сопротивления на валу двигателя)  использована теория инвариантности, которая компенсирует влияние возмущения на систему. Для получения условия инвариантности математическую модель системы управления представили в виде упорядоченной системы из трех уравнений (ОР, ЧУЭ, ИЭ) и решили с помощью определителя Г.В. Щепанова. В результате была построена функциональная схема системы автоматического регулирования с учетом полученного условия инвариантности.

Т.к. условие инвариантности не способно устранить другие неучтенные возмущения, что приводит к отклонению управляемой величины, была применена теория оптимального управления, а именно метод Р. Беллмана в форме А.М. Летова. Был выбран критерий оптимальности с помощью интегральной оценки (I). Таким образом для решения задачи оптимальности системы управления было определено такое управление U, чтобы минимизировать интеграл I.

По составленным дифференциальным уравнениям и полученным расчетам, а также функциональным и структурным схемам была построена принципиальная схема системы автоматического регулирования с условием инвариантности и оптимальным управлением. В соответствии с условиями оптимальности и инвариантности в принципиальную схему введены дифференцирующие устройства . Согласование обмоток управления усилителя с датчиками момента на валу (торсиометр BN) и оборотами (тахогенератор BR) осуществляется с помощью полупроводниковых усилителей в дифференцирующих устройствах, а также с помощью потенциометра RP.

Список использованной литературы:

1.Александров К.К., Кузьмин Е.Г. – Электротехнические чертежи и схемы.- М.: Энергоатомиздат,  1990.- 288 с.

2.Власенко А.А., Стражмейстер В.А. Судовая электроавтоматика: Учебник для вузов. - М.: Транспорт, 1983. - 368 с.

3.Власенко А.А., Шемет Р.И. Проектирование судовых систем управления. М.: ЦРИА, "Морфлот", 1980. - 65 с.

4.Расчет автоматических систем. /Под ред. А.В.Фатеева: Учебное пособие. М.: Высшая школа, 1973. - 336 с.

5.Моргун А.К. и др. Справочник по Единой системе конструкторской докуметации/ Моргун А.К., Градиль В.П., Егошин Р.А., Под ред. Ю.И. Степанова.- 2-е изд., перераб. и доп.- Х.: Прапор, 1979.- 245 с.

6.Тимофеев Ю.К.  Оптимизация судовых систем управления: учебное пособие.- М.: В/О «Мортехинформреклама», 1990. - 72 с.

7.Васильев Д.В., Чуич В.Г. Системы автоматического управления: Примеры расчета.-М.: Высшая школа, 1967.- 419 с.

8.Хайкин А.Б., Жадобин Н.Е. Элементы судовой автоматики: Учеб. пособ.-Л.: Судостроение, 1982.- 376 с.

Комментариев нет:

Отправить комментарий

Если вы хотите смотивировать авторов на дальнейшее создание контента для судовых механиков и электромехаников, то вы можете сделать донат по ссылкам:
Спасибо за донат и увидимся на просторах наших проектов!