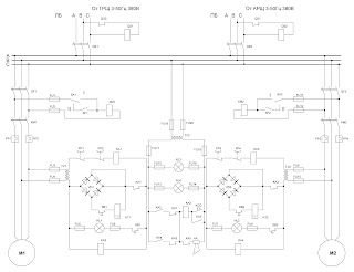
Принципиальная схема электропривода насосов переменной подачи рулевой электрогидравлической машины:
Электрогидравлическая рулевая машина имеет два насоса переменной подачи, которые приводятся в движение асинхронными короткозамкнутыми двигателями М1, М2.
На щит питания, расположенный в румпельном помещении, напряжение подается двумя фидерами, разведенными по бортам. Если выходит из строя работающий фидер, то автоматически включается резервный. Эту операцию выполняют реверсивные контакторы QS1, QS2. Например, питание подано от фидера левого борта и срабатывает контактор QS1, включая напряжение на шины. Одновременно блок-контакт QS1 разрывает цепь питания второго контактора QS2. Если фидер левого борта обесточивается, то контактор теряет питание, фидер отключается от шин, но блок-контакт QS1 подает питание контактору QS2. Последний включит напряжение на шины от фидера правого борта. Таким образом, одновременная работа контакторов QS1 и QS2 исключается. Подобная связь двух контакторов называется электрической блокировкой.
Питание со щита подается к двум двигателям насосов переменной подачи и к другим элементам схемы управления.
Пуск двигателей насоса можно осуществить из румпельного отделения переводом переключателя SA1 (SA2) в положение I (местный пуск) или с поста управления — выключателем дистанционного управления SF1 (SF2). Переключатель SA1 (SA2) при этом должен находиться в положении II.
Защита от коротких замыканий в главной цепи осуществляется установочными автоматами QF1 (QF2).
От длительных небольших по величине перегрузок в схеме предусмотрена тепловая защита, работающая на световой и звуковой сигналы. При срабатывании любого из тепловых реле и размыкании одного из контактов FP1 или FP2 теряет питание реле KA1, которое замыкает цепи реле времени KT1 і ревуна HA (в нормальном рабочем положении контакты KA1 разомкнуты). Электромагнитное Реле времени, получив питание, мгновенно размыкает оба своих контакта SB1. Одним контактом реле KT1 обеспечивает само себя, а вторым — гасит сигнальную лампу HL1. Потеряв питание, реле KT1 с выдержкой времени отпускает свой якорь, тем самым снова замкнув контакты реле времени KT1, т. е. подает питание на свою катушку и т. д. Сигнальная лампа HL1 будет работать в режиме Читающего света, включаясь и выключаясь контактом реле времени KT1.
Действие ревуна прекращается нажатием кнопки снятия сигнала КСС: кнопка включает реле KA5, которое одним контактом разрывает цепь ревуна HA, а другим шунтирует кнопку КСС (ее можно отпустить, реле KA5 теперь запитано через свой контакт).
Горение сигнальной лампы HL1 мигающим светом продолжается до тех пор, пока не замкнется разомкнувшийся контакт FP1 или FP2, что возможно после снятия перегрузки.
После возврата реле FP1 (FP2) в нормальное рабочее положение схема возвращается в входное состояние.
Лампы HL3, HL4 сигнализируют о наличии питания на схеме; они установлены соответственно в румпельном помещении и у пульта управления.
Рис. 1. Принципиальная схема электропривода насосов переменной подачи рулевой электрогидравлической машины
Электрогидравлическая рулевая машина имеет два насоса переменной подачи, которые приводятся в движение асинхронными короткозамкнутыми двигателями М1, М2.
На щит питания, расположенный в румпельном помещении, напряжение подается двумя фидерами, разведенными по бортам. Если выходит из строя работающий фидер, то автоматически включается резервный. Эту операцию выполняют реверсивные контакторы QS1, QS2. Например, питание подано от фидера левого борта и срабатывает контактор QS1, включая напряжение на шины. Одновременно блок-контакт QS1 разрывает цепь питания второго контактора QS2. Если фидер левого борта обесточивается, то контактор теряет питание, фидер отключается от шин, но блок-контакт QS1 подает питание контактору QS2. Последний включит напряжение на шины от фидера правого борта. Таким образом, одновременная работа контакторов QS1 и QS2 исключается. Подобная связь двух контакторов называется электрической блокировкой.
Питание со щита подается к двум двигателям насосов переменной подачи и к другим элементам схемы управления.
Пуск двигателей насоса можно осуществить из румпельного отделения переводом переключателя SA1 (SA2) в положение I (местный пуск) или с поста управления — выключателем дистанционного управления SF1 (SF2). Переключатель SA1 (SA2) при этом должен находиться в положении II.
Защита от коротких замыканий в главной цепи осуществляется установочными автоматами QF1 (QF2).
От длительных небольших по величине перегрузок в схеме предусмотрена тепловая защита, работающая на световой и звуковой сигналы. При срабатывании любого из тепловых реле и размыкании одного из контактов FP1 или FP2 теряет питание реле KA1, которое замыкает цепи реле времени KT1 і ревуна HA (в нормальном рабочем положении контакты KA1 разомкнуты). Электромагнитное Реле времени, получив питание, мгновенно размыкает оба своих контакта SB1. Одним контактом реле KT1 обеспечивает само себя, а вторым — гасит сигнальную лампу HL1. Потеряв питание, реле KT1 с выдержкой времени отпускает свой якорь, тем самым снова замкнув контакты реле времени KT1, т. е. подает питание на свою катушку и т. д. Сигнальная лампа HL1 будет работать в режиме Читающего света, включаясь и выключаясь контактом реле времени KT1.
Действие ревуна прекращается нажатием кнопки снятия сигнала КСС: кнопка включает реле KA5, которое одним контактом разрывает цепь ревуна HA, а другим шунтирует кнопку КСС (ее можно отпустить, реле KA5 теперь запитано через свой контакт).
Горение сигнальной лампы HL1 мигающим светом продолжается до тех пор, пока не замкнется разомкнувшийся контакт FP1 или FP2, что возможно после снятия перегрузки.
После возврата реле FP1 (FP2) в нормальное рабочее положение схема возвращается в входное состояние.
Лампы HL3, HL4 сигнализируют о наличии питания на схеме; они установлены соответственно в румпельном помещении и у пульта управления.
Комментариев нет:
Отправить комментарий