Прежде чем приступить к изучению конкретных схем судовых электроприводов, необходимо в дополнение к рассмотренной электроаппаратуре остановиться на элементах бесконтактных и автоматизированных электроприводов.
Датчики изменения фазы
Характер действия многих электрических устройств зависит от фазы напряжения питания. Например, если на одну из обмоток однофазного асинхронного электродвигателя подать напряжение сети Uc, то он будет вращаться, предположим, вправо (рис. 1, а). Стоит на эту же обмотку электродвигателя включить напряжение U1 (рис. 1, б) противоположной фазы, и электродвигатель изменит направление вращения.
Устройствами, способными изменять фазу своего выходного напряжения, являются: вращающиеся трансформаторы ТрВ, сельсины, работающие в трансформатором режиме, тахогенераторы переменного тока, дифференциальные магнитные усилители и другие устройства. Рассмотрим некоторые из них.
Вращающиеся трансформаторы по конструкции сходны с малогабаритными электродвигателями. Ротор ТрВ не вращается, его поворачивают вправо или влево от нулевого положения. Наиболее распространены линейные вращающиеся трансформаторы (рис. 2, а). Напряжение питания ~ U подается на обмотку статора О1 и последовательно включенную с ней обмотку ротора О2. Переменный ток этих обмоток создает в трансформаторе пульсирующий поток.
Рис. 1. Изменение фазы напряжения питания на противоположную
Если ротор установлен в нулевом положении, то выходная обмотка О3 относительно потока расположена так, что в ней ничего не индуктируется и ~U1 равно нулю.
При развороте ротора влево и установке его в положение 10° появляется выходное напряжение выхода ~U1 (график I на рис. 2, б, амплитуда А), а при дальнейшем отклонении ротора в ту же сторону (на 20°) амплитуда выходного напряжения увеличивается (график II).
В случае отклонения ротора вправо от нулевого положения амплитуда А2 выходного напряжения с ростом угла поворота растет (амплитуда А3), но, как показано на графиках, фаза его изменилась на противоположную — сместилась на 180° (графики III, IV). Вращающийся трансформатор является источником напряжений двух противоположных фаз; для получения этих напряжений ротор нужно установить влево или вправо относительно нулевого положения.
Рис. 2. Линейный вращающийся трансформатор и графики его выходных напряжений
Сельсины, работающие в трансформаторном режиме, также используются в качестве источника напряжения с переменной фазой. Напряжение питания ~ U (рис. 3) подается на статорную обмотку О1 сельсина-датчика СД. Если ротор СД находится в нулевом положении (все обмотки О2, О4 расположены одинаково), то на выходе сельсина-приемника СП никакого напряжения нет (~ U1 = 0). В трансформаторном режиме работы ротор СП всегда механически заторможен в одном положении. Если рукоятку СД повернуть вправо, то на статорной обмотке О3 сельсина-приемника появится напряжение ~ U1 определенной фазы. Если же рукоятку СД повернуть влево относительно нулевого положения, то на обмотке О3 появится напряжение ~ U1 противоположной фазы. Величина амплитуды напряжения ~ U1 прямо пропорциональна углу поворота ротора.
Рис. 3. Работа сельсинов в трансформаторном режиме
Тахогенератор переменного тока (рис. 4) имеет две взаимно перпендикулярные обмотки, расположенные на статоре, и полый ротор. На обмотку О1 подается переменный ток от сети питания. На обмотке выхода О2 появляется переменная э. д. с. только во время вращения ротора внешним усилием. Величина этой э. д. с. пропорциональна частоте вращения ротора; при его реверсе фаза реверсирует на 180°.
Рис. 4. Тахогенератор переменного тока
Эта электрическая машина может работать в качестве электродвигателя в исполнительных механизмах автоматики. При подаче питания переменного тока на обмотки О1, О2 двигатель вращается. Если изменить на 180° фазу подводимого напряжения на одной из обмоток, произойдет реверс электродвигателя.
Фазочувствительные выпрямители
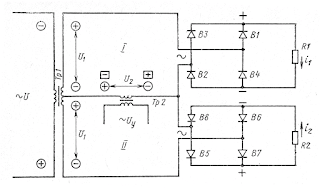
Эти устройства выпрямляют переменный ток в пульсирующий постоянный ток. Если сигнал управления, вводимый в фазочувствительный выпрямитель, изменится по фазе, то на выходе изменится направление регулирования постоянного тока. На рис. 5 показана схема фазочувствительного выпрямителя, практически применяемого в электроприводах.
На первичную обмотку трансформатора Тр1 подается неизменное напряжение питания переменного тока ~ U, а на первичную обмотку трансформатора Тр2 подается переменное напряжение управления ~ Uу, фаза которого может изменяться.
Предположим, что сигнал управления отсутствует (Uу = 0 и, следовательно, U2 = 0). Фазочувствительный выпрямитель образует два контура I и II. Напряжение питания каждой половины вторичной обмотки трансформатора Тр1 создает напряжение U1. Полярность мгновенных напряжений в первый полупериод питания на схеме обозначена в кружках. Цепь тока в контуре I: плюс напряжения U1 - выпрямитель B1 - резистор нагрузки R1 - B2 - минус напряжения U1. Цепь тока в контуре II: плюс напряжения U1 - B5 - R2 - B6 - минус напряжения U1. Через резисторы нагрузки R1, R2 проходят одинаковые токи i1, i2, так как они создаются одинаковыми напряжениями U1. Во второй полупериод питания знаки мгновенных значений U1 изменяются на противоположные, но токи через резисторы Rl, R2 своего направления не изменяют и остаются той же величины.
Рис. 5. Фазочувствительный выпрямитель
Теперь, предположим, появилось напряжение управления Uy и, следовательно, U2. Мгновенная полярность напряжения U2 в первый полупериод питания тоже обозначена в кружках. Цепь тока контура I: плюс U1—В1—R1—В2 — минус U2 — плюс U2 — минус U1.
Два источника питания напряжений U1, U2 оказались включенными согласно (плюс — минус, плюс — минус), поэтому ток i1 создается суммой напряжений U1+U2. В это время ток в контуре II проходит по цепи: плюс U1 — плюс U2 — минус U2 — В5—R2—В6 — минус U1.
Здесь два источника напряжений U1, U2 включены встречно (плюс — плюс, минус — минус), поэтому ток i2 создается разностью напряжений U1—U2 (U1 всегда больше U2). Во второй полупериод питания знаки во всех кружках изменяются на противоположные, но от этого величины токов i1, i2 не изменяются. Следовательно, при такой фазе напряжения управления получили большой ток i1 и малый i2.
Если изменить фазу ~ Uу относительно фазы ~ U на противоположную (мгновенная полярность обозначена в квадратиках), то в контуре I напряжения U1, U2 действуют встречно и ток i1 пропорционален напряжениям U1—U2. В контуре II напряжения U1, U2 действуют согласно и ток i2 пропорционален напряжению U1+U2: получили большой ток i2 и малый i1. Можно сделать вывод, что при подаче сигнала управления одной фазы получается увеличение тока i1 и уменьшение i2, а при подаче сигнала управления другой фазы, наоборот, увеличивается ток i2 и уменьшается i1.
Тиристорный электропривод
Главными преимуществами электропривода являются: бесконтактное и безынерционное управление; малые масса и габарит; возможность регулирования параметров питания электродвигателя. Благодаря этим весьма ценным преимуществам, тиристорный электропривод широко используется, а принцип построения схем электроприводов коренным образом изменяется.
На рис. 6, а показана схема прямого пуска асинхронного электродвигателя с помощью тиристорной аппаратуры. Здесь таблеточные тиристоры используются в качестве контактов, причем коммутация осуществляется без какого-либо механического перемещения. Если на управляющие электроды У ничего не подается, то все 6 тиристоров закрыты и переменный ток на электродвигатель не поступает. Достаточно на все электроды управления У подать постоянный ток напряжением 15—20 В, и двигатель начинает работать.
В каждой фазе приходится ставить два тиристора, так как фазы пропускают переменный ток. Во время положительного полупериода ток от вывода А через тиристор Т1 поступает на электродвигатель, а затем через тиристор Т4 или Т6 — на фазу В или С.
В это время тиристор Т2 закрыт, через него ток не может идти, так как относительно положительной мгновенной полярности фазы А в первый полупериод тиристор Т2 включен встречно. Во второй полупериод питания фазы А ток через тиристоры Т3, Т5 поступает на электродвигатель, а затем через тиристор Т2 — на фазу А.
На рис. 6, а показана схема пуска односкоростного электродвигателя. Практически подобные тиристорные коммутаторы устанавливают на каждую обмотку многоскоростного электродвигателя. Подавая сигнал управления на коммутаторы, можно включать поочередно обмотки разных скоростей.
Если при наличии сети переменного тока нужно получить плавный регулируемый электропривод, то рационально применить схему, показанную на рис. 6, б. Здесь в одном плече выпрямительного силового устройства стоят неуправляемые диоды Д1, Д2, ДЗ, а в другом — тиристоры Tl, Т2, Т3. Если от блока управления БУ нет сигнала управления, то электродвигатель напряжения не получает.
Рис. 6. Применение тиристоров в схемах электроприводов
С помощью БУ сигналы управления для тиристоров Tl, Т2, Т3 можно изменять так, что открытие тиристоров будет небольшим или полным. Это основное, ценное свойство тиристоров — изменять величину выпрямленного направления. Следовательно, в этой схеме электродвигатель может получать различное по величине напряжение постоянного тока, чем и достигается широкое регулирование его частоты вращения.
Наконец, с помощью тиристоров можно получить регулируемый асинхронный электропривод по параметру электрической частоты (рис. 6, в). Трехфазный переменный ток выпрямителем Вn преобразуется в постоянный, который подводится на тиристорный преобразователь частоты (инвертор) Т1—Т6. Блок управления БУ так формирует сигналы для открытия каждого тиристора, что на выводы электродвигателя поступает снова трехфазный переменный ток, но уже регулируемой электрической частоты.
Датчики (реле)
Датчики уровня, давления, температуры и т. д. широко применяют в схемах автоматики. Их срабатывание приводит к замыканию или размыканию электрических контактов.





