Лабораторная работа: "Трёхскоростной электропривод переменного тока с контакторной системой управления постоянного тока".

I. Элементы схемы:
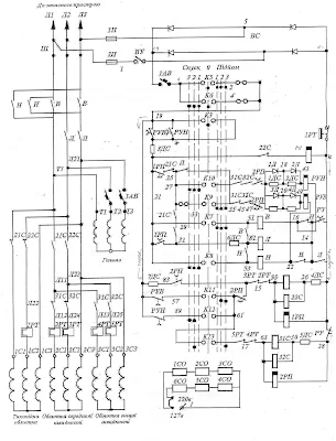
1. Электродвигатель типа МАП612.
2. Магнитный контроллер типа ВТ-7 для 380 В.
3. Электрогидравлический толкатель ТІМ-50М.
4. Командо-контроллер серии КВ-0.
II. Описание работы электропривода.
Перед началом работы необходимо подать напряжение на схему и замкнуть вручную (местным поворотом съемной рукоятки) выключатель управления «ВУ» командо-контроллера.
В нулевом положении командо-контроллера получают питание через выпрямительный мост ВК1-ВК4 реле «РУ», «РУВ», «РУН». При переводе рукоятки командо-контроллера в положение 1 «подъем», через контакт «К9» командо-контроллера подается питание на контакторы «В» и «Л», которые замыкают свои силовые контакты в цепи питания двигателя. Двигатель растормаживается и работает на 1-ой скорости. Одновременно с выдержкой времени отключается реле «РУВ».
При переводе рукоятки командо-контроллера в положение 2 «подъем» замыкается контакт «К11» командо-контроллера и подается питание на контакторы «21С» и «22С», и реле «1РП». Контакторы «21С» и «22С» своими силовыми контактами отключают обмотку малой скорости и включают обмотку средней скорости. Одновременно теряет питание реле «РУ». временно теряет питание реле "РУ". Электродвигатель работает на средней скорости. При переводе рукоятки командо-контроллера в положение 3 "подъем" замыкается контакт "К13" командо-контроллера. Питание подается на контакторы "31 С" и "32С" и на реле "2РП". Контакторы "31С" и "32С" своими силовыми контактами отключают обмотку средней скорости и включают обмотку большой скорости. Двигатель работает на большой скорости.
Работа электропривода на "спуск" аналогична работе на "подъем". Разница заключается в том, что включается контактор "Н" и отключается реле "РУН", вместо контактора "В" и реле "РУВ".
При обратном переводе рукоятки командо-контроллера происходит соответственно переключение электродвигателя на среднюю малую скорости и отключение его от сети.
При резком переводе рукоятки командо-контроллера из крайнего рабочего положения "подъем" или "спуск" в нулевое, торможение двигателя происходит в функции независимой выдержки времени.
Длительность работы двигателя на средней скорости определяется выдержкой времени реле "2РП", по истечению которой теряют питание контакторы "21С" и "22С", и получает питание реле "РУ". Контакторы "21С" и "22С"- своими силовыми контактами отключают обмотку средней скорости и выключают обмотку малой скорости. Двигатель работает на малой скорости.
Длительность работы двигателя на малой скорости определяется выдержкой времени реле "1РП", по истечению которой теряют питание контакторы "В" (иди "Н") и "Л". Двигатель отключается от сети и тормозится. При резком переводе рукоятки командо-контроллера из нулевого положения в крайнее рабочее "подъем" или "спуск", разгон электродвигателя происходит в функции независимой выдержки времени до большой скорости.
Длительность работы двигателя на малой скорости определяется выдержкой времени реле "РУВ" (при работе на "подъем") или реле "РУН" (при работе на "спуск"), по истечению которой подается питание на контакторы "21С" и "22С" и реле "1РП".
Контакторы "21С" и "22С" своими силовыми контактами отключают обмотку малой скорости и включают обмотку средней скорости. Двигатель работает на средней скорости.
Длительность работы двигателя на средней скорости определяется выдержкой времени реле "РУ", по истечению которой подается питание на контакторы "31С" и "32С" и реле "2РП".
Контакторы "31С" и "32С" своими силовыми контактами отключают обмотку средней скорости и включает обмотку большой скорости. Двигатель работает на большой скорости.
При резком переводе рукоятки командо-контроллера из одного крайнего положения в другое крайнее положение происходит автоматическое торможение, реверс электродвигателя и автоматический разгон до большой скорости, как было описано выше.
III. Включение элементов схемы:
2-е положение - включены "В", "Л", "РУН", "21С", "22С", "1РП".
3-е положение - включены "В", "Л", "РУН", "21С", "22С", "31С", "32С", "2РП", "1РП".
2-е положение - включены "Н", "Л", "РУВ", "21С", "22С" М1РП".
3-е положение - включены "Н", "Л", "РУВ", "21С", "22С" "31С", "32С; "1Р1П, "2РП".
4. Защита:
5. Подготовка к работе:
5.1. Включить питание на лабораторном щитке распределительном ЩР.
5.2. Включить автомат питания А1 на пульте управления тренажера. При этом зажигается сигнальная лампа НL 5, сигнализирующая наличие питания на тренажере.
5.3. Проверить исправную работу электропривода.
5.4. Проверять исправность действия схемы ввода и определения неисправностей в системе управления электропривода.
5.5. Проверить исправную работу схемы счета числа попыток определения неисправностей.
5.6 В случае обнаружения неисправности руководствоваться указаниями по обнаружению и устранению неисправностей в формуляре электропривода и пульта управления.
1. Электродвигатель типа МАП612.
2. Магнитный контроллер типа ВТ-7 для 380 В.
3. Электрогидравлический толкатель ТІМ-50М.
4. Командо-контроллер серии КВ-0.
II. Описание работы электропривода.
Перед началом работы необходимо подать напряжение на схему и замкнуть вручную (местным поворотом съемной рукоятки) выключатель управления «ВУ» командо-контроллера.
В нулевом положении командо-контроллера получают питание через выпрямительный мост ВК1-ВК4 реле «РУ», «РУВ», «РУН». При переводе рукоятки командо-контроллера в положение 1 «подъем», через контакт «К9» командо-контроллера подается питание на контакторы «В» и «Л», которые замыкают свои силовые контакты в цепи питания двигателя. Двигатель растормаживается и работает на 1-ой скорости. Одновременно с выдержкой времени отключается реле «РУВ».
При переводе рукоятки командо-контроллера в положение 2 «подъем» замыкается контакт «К11» командо-контроллера и подается питание на контакторы «21С» и «22С», и реле «1РП». Контакторы «21С» и «22С» своими силовыми контактами отключают обмотку малой скорости и включают обмотку средней скорости. Одновременно теряет питание реле «РУ». временно теряет питание реле "РУ". Электродвигатель работает на средней скорости. При переводе рукоятки командо-контроллера в положение 3 "подъем" замыкается контакт "К13" командо-контроллера. Питание подается на контакторы "31 С" и "32С" и на реле "2РП". Контакторы "31С" и "32С" своими силовыми контактами отключают обмотку средней скорости и включают обмотку большой скорости. Двигатель работает на большой скорости.
Работа электропривода на "спуск" аналогична работе на "подъем". Разница заключается в том, что включается контактор "Н" и отключается реле "РУН", вместо контактора "В" и реле "РУВ".
При обратном переводе рукоятки командо-контроллера происходит соответственно переключение электродвигателя на среднюю малую скорости и отключение его от сети.
При резком переводе рукоятки командо-контроллера из крайнего рабочего положения "подъем" или "спуск" в нулевое, торможение двигателя происходит в функции независимой выдержки времени.
Длительность работы двигателя на средней скорости определяется выдержкой времени реле "2РП", по истечению которой теряют питание контакторы "21С" и "22С", и получает питание реле "РУ". Контакторы "21С" и "22С"- своими силовыми контактами отключают обмотку средней скорости и выключают обмотку малой скорости. Двигатель работает на малой скорости.
Длительность работы двигателя на малой скорости определяется выдержкой времени реле "1РП", по истечению которой теряют питание контакторы "В" (иди "Н") и "Л". Двигатель отключается от сети и тормозится. При резком переводе рукоятки командо-контроллера из нулевого положения в крайнее рабочее "подъем" или "спуск", разгон электродвигателя происходит в функции независимой выдержки времени до большой скорости.
Длительность работы двигателя на малой скорости определяется выдержкой времени реле "РУВ" (при работе на "подъем") или реле "РУН" (при работе на "спуск"), по истечению которой подается питание на контакторы "21С" и "22С" и реле "1РП".
Контакторы "21С" и "22С" своими силовыми контактами отключают обмотку малой скорости и включают обмотку средней скорости. Двигатель работает на средней скорости.
Длительность работы двигателя на средней скорости определяется выдержкой времени реле "РУ", по истечению которой подается питание на контакторы "31С" и "32С" и реле "2РП".
Контакторы "31С" и "32С" своими силовыми контактами отключают обмотку средней скорости и включает обмотку большой скорости. Двигатель работает на большой скорости.
При резком переводе рукоятки командо-контроллера из одного крайнего положения в другое крайнее положение происходит автоматическое торможение, реверс электродвигателя и автоматический разгон до большой скорости, как было описано выше.
III. Включение элементов схемы:
Подъем
1-е положение - включены "В", "Л", "РУ", "РУН".2-е положение - включены "В", "Л", "РУН", "21С", "22С", "1РП".
3-е положение - включены "В", "Л", "РУН", "21С", "22С", "31С", "32С", "2РП", "1РП".
Спуск
1-е положение - включены "Н", "Л", "РУ", "РУВ".2-е положение - включены "Н", "Л", "РУВ", "21С", "22С" М1РП".
3-е положение - включены "Н", "Л", "РУВ", "21С", "22С" "31С", "32С; "1Р1П, "2РП".
4. Защита:
Нулевая защита
Осуществляется реле "РУВ" или "РУН", размыкающими свои контакта, через которые подается питание в цепи управления, в случае исчезновения или чрезмерного снижения напряжения.
Тепловая защита
Осуществляется тепловыми реле 1РТ-5РТ магнитного контроллера, которые размыкают свои контакты в цепи питания выпрямительного моста ВК1-ВК4 при длительных перегрузках электродвигателя.
Защита от коротких замыканий
Осуществляется в цепи управления и в цепи двигателя, гидротолкателя автоматическими выключателями "1АВ" и "2АВ", установленными в магнитном контроллере.5. Подготовка к работе:
5.1. Включить питание на лабораторном щитке распределительном ЩР.
5.2. Включить автомат питания А1 на пульте управления тренажера. При этом зажигается сигнальная лампа НL 5, сигнализирующая наличие питания на тренажере.
5.3. Проверить исправную работу электропривода.
5.4. Проверять исправность действия схемы ввода и определения неисправностей в системе управления электропривода.
5.5. Проверить исправную работу схемы счета числа попыток определения неисправностей.
5.6 В случае обнаружения неисправности руководствоваться указаниями по обнаружению и устранению неисправностей в формуляре электропривода и пульта управления.
Схема
