В судовых условиях электронагревательные приборы применяют для отопления помещений, приготовления пищи, подогрева воды и масел, сушки изоляции и других целей. Электронагревательный прибор состоит из нагревательных элементов, конструкции для их крепления и кожуха или корпуса.
Нагревательный элемент (НЭ) — это часть нагревательного устройства, служащая для преобразования электрической энергии в тепловую. В приборе может быть один или несколько НЭ. В последнем случае для регулирования нагрева применяют последовательное, параллельное, смешанное включение НЭ, а также включение их треугольником и звездой. В судовых условиях применяют закрытые и герметичные НЭ. Закрытые НЭ бывают трех исполнений: спираль с керамическими бусами; спираль в асбоцементной массе; лента, намотанная на миканит и закрытая с обеих сторон миканитом. Срок службы закрытых НЭ — 1000 ч. Герметичные или трубчатые НЭ выполнены в виде спиралей из фехралевой или нихромовой проволоки, помещенных в стальную или медную трубку с наружным диаметром 10, 12 и 15 мм и толщиной стенки 1 мм.
Между спиралью и стенками засыпан очищенный кварцевый песок или периклаз (кристаллическая окись магния). Медные трубки, луженые чистым (пищевым) оловом, применяют в НЭ для приготовления пищи. Для грелок применяют НЭ из стальных трубок, различающихся по номерам: НЭ № 1—4, 250 Вт для напряжений 24; 55; 63,5; 110 В применяют в грелках ГС и ГП, а № 5—9 на 220 В, от 166 до 1000 Вт — для грелок ГСТ. В кипятильных бачках БП-8, БП-15, БП-25 для напряжений от 24 до 220 В применяют НЭ мощностью 500, 900, 1000, 1500 и 2300 Вт. По форме изгиба НЭ могут быть U-, W-, Ω-образными, в виде плоских спиралей и др. Срок службы герметичных НЭ — 2000 ч.
Электроотопительные приборы выполняют в виде стационарных (ГС, ГСТ), переносных (ГП) грелок и специальных электронагревателей. Грелки выпускают на напряжения 24, 110, 220 В постоянного и 24, 127, 220, 380 переменного тока мощностью 0,5; 1; 1,5; 2; 3 кВт. По конструкции судовые грелки представляют собой батарею трубчатых НЭ, закрепленных на общем основании держателями. Для защиты от прикосновения к НЭ и токоведущим частям грелки закрыты металлическими перфорированными кожухами. Температура НЭ 500°С, на кожухе 140°С, на лапах 65°С.
Кроме обычных грелок для отопления и других целей, применяют специальные нагреватели.
Грелки ГК-6000, 220 В, 6 кВт служат для сушки одежды и обогрева больших помещений. Электрические калориферы КфЭ2-400, КфЭЗ-600 и другие приборы устанавливают в воздухопроводы судовой вентиляции или системы кондиционирования воздуха. Управление нагревом ступенчатое. 25, 50 и 100% мощности. Для той же цели могут применяться электронагреватели НВЭ-5, НВЭ-6,3, снабжаемые регуляторами температуры.
Электрические переносные калориферы ПКфЭ-100, на 24, 110 и 220 В, 2,1 кВт предназначены для обогрева теплым подсушенным воздухом электроустановок. Грелки для электрических машин используют при подсушке изоляции; они представляют собой пучок трубчатых НЭ, изогнутых по радиусу обмоток. В зависимости от габаритов машины в нее устанавливают одну или несколько грелок.
Для приготовления пищи служат электрические камбузы, хлебопекарные печи, электродуховки, пищеварные котлы и кипятильные баки. Электрические камбузы являются наиболее мощными нагревательными приборами и устроены следующим образом. В стальном каркасе, обшитом алюминиевыми листами, установлены держатели с НЭ для духовок и специальные плиты-конфорки для установки на них пищеварной посуды. Конфорки выполнены в виде металлических отливок квадратной, круглой или иной формы толщиной 22—25 мм с установленными внутри трубчатыми НЭ, закрученными в плоскую спираль. В каждой конфорке 2—4 НЭ могут быть соединены различными способами, обеспечивая три степени нагрева.
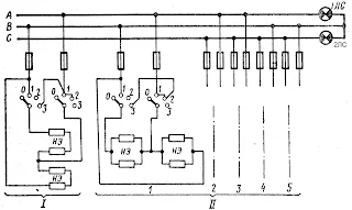
Рис. 1. Схема включения нагревательных элементов в камбузной плите типа КПЭ-200: I — духовка; II — нагревательные плиты (конфорки)
На рис. 1 представлена электрическая схема камбузной плиты типа КПЭ-200 с электродуховкой и пятью конфорками. Цифры 0, 1, 2, 3 обозначают положение переключателей и соответствующие им степени нагрева (0 — отключено, 1 — максимальный, 2 — средний, 3 — минимальный). Включение НЭ ясно из схемы.
В хлебопекарных печах устанавливают трубчатые НЭ и регулирование нагрева имеет две ступени. Например, в печи типа СХПЭ/1 на 10,6 кВт, 220 В трехфазного тока три группы НЭ включают по схеме звезда - треугольник магнитным пускателем ПММ-2122.
Пищеварные и кипятильные баки имеют встроенные трубчатые НЭ с регулированием нагрева и без него. В регулируемых баках нагрев изменяется либо схемой включения НЭ, либо периодичностью включения. Применяют электробаки с автоматической стабилизацией температуры. В автоматизированных котлах (КПЩЗ-60 и др.) предусмотрены защита от снижения уровня воды, поддержания температуры, ручное регулирование режима, звуковая и световая сигнализация при перегреве.
В основе правильной эксплуатации электронагревательных приборов лежит знание и соблюдение заводских инструкций, содержание НЭ в чистоте и исправности. Несоблюдение этих правил служит причиной частых снижений изоляции. По нормам Регистра общий ток утечки нагревательного устройства должен быть не более 10 мА и не более 1 А на каждый киловатт мощности любого отдельно включаемого НЭ.


Комментариев нет:
Отправить комментарий